Рэгулятар напружання
LM2576
LM2576
BOLE
NS TO-220263
In Stock: 88891 pcs
карысны ў сучасных электронных канструкцыях.Гэты артыкул паглыбляецца ў тонкасці LM2576, рэгулятара пераключэння ўніз, вядомы сваёй выходнай магутнасцю 3A і інавацыйнай інтэграцыяй функцый бяспекі, такіх як абмежаванне бягучага і цеплавога адключэння.Падкрэсліваючы яго ўніверсальнасць, рэгулятар падтрымлівае ўваходныя напружання да 60 У і ўпарадкуе інтэграцыю схемы, мінімізуючы неабходнасць знешніх кампанентаў.Гэта пашырана адаптацыі і прасунутыя ахоўныя меры, істотны кампанент у розных патрабавальных прыкладаннях, ад прамысловых умоў да партатыўных прылад, адчувальных да электраэнергіі.Гэта даследаванне таксама будзе закранаць аперацыю LM2576: ад асноўнай функцыянальнасці і канфігурацыі PIN да асноўных кампанентаў і тэхнічных меркаванняў, забяспечваючы ўсебаковы агляд яго эфектыўнай ролі ў эфектыўных рашэннях па кіраванні электраэнергіяй.
Каталог
А
LM2576
LM2576
BOLE
NS TO-220263
In Stock: 88891 pcs
, створаны Texas Instruments, забяспечвае выход 3A ў выглядзе паважнага рэгулятара напружання.У ім прадстаўлены стабільны асцылятар 52 кГц і дакладны 1,23 У даведачны рэгулятар.Прызначаны для высокага току прыкладанняў, ён таксама ўключае схемы для абмежавання току і цеплавога адключэння, забяспечваючы пласты бяспекі і надзейнасці, што адлюстроўвае імкненне да паслядоўнай працы ў розных умовах.
Гэты рэгулятар спрашчае стабілізацыю напружання, зніжаючы залежнасць ад знешніх кампанентаў.Функцыі бяспекі, такія як абмежаванне току і цеплавое адключэнне, павышае надзейнасць.Яго дызайн часта ліквідуе патрэбу ў радыятар, эканоміць прастору і задаволенасць практычных патрэбаў у розных умовах - значэння пошуку прастаты і эфектыўнасці.
LM2576 даказвае сваю эфектыўнасць у канструкцыі блока харчавання, які патрабуе моцнага цеплавога кіравання і кампактнасці.Кантрольны штыфт уключэння/выключэння дадае гнуткасць для кіравання электраэнергіяй у дынамічных сістэмах.Гэтая адаптацыя звяртаецца да тых, хто аддае перавагу інавацыям над традыцыйнымі лінейнымі рэгулятарамі, падкрэсліваючы творчасць у вырашэнні праблем.
Замены і эквіваленты:
•
CS51411
CS51411
ON
622
In Stock: 1390 pcs
•
LM2575
LM2575
NS
NS TO263220
In Stock: 2612 pcs
•
LM2596
LM2596
BOLE
XINBOLE TO-263-220
In Stock: 88991 pcs
•
LM2940
LM2940
NS
1141
In Stock: 2200 pcs
•
MP2307
MP2307
MPS
1141
In Stock: 2300 pcs
•
LM7805
LM7805
HS
LM7805 HTC TO-220
In Stock: 2390 pcs
Упарадкаваная інтэграцыя схемы
Рэгулятар напружання
LM2576
LM2576
BOLE
NS TO-220263
In Stock: 88891 pcs
палягчае інтэграцыю схемы з яго дызайнам, якая патрабуе мінімальных знешніх кампанентаў.Гэта дазваляе забяспечыць менш складаныя канструкцыі, што прыводзіць да больш хуткага прататыпаў і больш плаўных працэсаў адладкі падчас распрацоўкі прыкладанняў.
Адаптацыя да розных крыніц харчавання
Пры падтрымцы ўваходных напружанняў да 60 В, LM2576 абслугоўвае розных крыніц харчавання, павышаючы яго прыдатнасць для розных праектаў.Гэты аспект ацэньваецца ў сітуацыях з вагальнымі ўводамі харчавання, падкрэсліваючы гнуткасць і трывалы характар прылады.
Высокая эфектыўнасць
Дасягаючы вялікую эфектыўнасць, чым традыцыйныя лінейныя рэгулятары, гэта прылада прапануе прыкметнае захаванне магутнасці і зніжэнне вытворчасці цяпла.Гэта азначае пашыраны тэрмін службы батарэі і стабільную прадукцыйнасць, асабліва ў партатыўных і батарэйных прыладах, якія адпавядаюць вашым чаканням паслядоўнасці.
Надзейныя функцыі абароны
Абсталяваны ўбудаванай перагрэвам і абаронай кароткага замыкання, LM2576 падтрымлівае надзейнасць у розных умовах.Гэтыя асаблівасці бяспекі прадухіляюць патэнцыйныя пашкоджанні ў экстрэмальных сітуацыях, забяспечваючы ўпэўненасць у неабходных і далікатных прыкладаннях.
Уплыў на даўгавечнасць сістэмы
Сінэргія высокай эфектыўнасці і комплекснай абароны не толькі засцерагае абсталяванне, але і памяншае частату і кошт абслугоўвання.Гэтыя якасці спрыяюць павышанай сістэме даўгалецця і надзейнасці, уплываючы на выбар у прамысловых умовах.

Рэгулятар напружання
LM2576
LM2576
BOLE
NS TO-220263
In Stock: 88891 pcs
, неабходны кавалак у кіраванні электраэнергіяй, можа пахваліцца старанна размешчанай канфігурацыяй PIN -кода, неабходнай для яго лепшай працы.Захапленне функцыі кожнага PIN можа значна павысіць эфектыўнасць і надзейнасць электронных сістэм.
Він: Уваходнае напружанне
Гэты штыфт прымае ўваходнае напружанне для функцыі рэгулятара.Даданне добра падабранага кандэнсатара можа змякчыць варыяцыі ўваходнага напружання, павышаючы стабільнасць і даўгавечнасць.Вы можаце прапанаваць керамічныя кандэнсатары з -за іх нізкага СОЭ, умела зніжаючы патэнцыйныя перанапружанні напружання.
Вывад: Рэгуляваны выхад напружання
Гэты штыфт забяспечвае стабільны, рэгуляваны выхад напружання.Выбар выходных кандэнсатараў гуляе ролю ў мінімізацыі пульсацыі напружання, значнага элемента эфектыўнасці сістэмы падтрымкі.Дасягненне нізкай пульсацыі звычайна прадугледжвае прадуманы дызайн фільтра вываду, абумоўлены шматгадовым вопытам і практычным тэставаннем.
Зямля: сістэмнае злучэнне зямлі
Гэты штыфт служыць арыенцірам напружання па ўсёй ланцугу, неабходнай для дакладнага рэгулявання.Эфектыўныя метады зазямлення, такія як мінімізацыя наземных завес, дапамагаюць пазбегнуць патэнцыяльнага шумавага ўмяшання-урок, атрыманы з шырокага рашэння праблем.
Зваротная сувязь: Даведка аб рэгуляванні напружання
Штыфт зваротнай сувязі забяспечвае выходнае напружанне, якое рэгулюецца, кантрастуючы яго з усталяваным эталонным напружаннем.Дакладныя рэзістары звычайна ўдзельнічаюць у гэтым шляху, каб гарантаваць дакладную зваротную сувязь і стабільную прадукцыйнасць.Выкарыстанне рэзістараў з высокай талерантнасцю прыкметна павышае стабільнасць у розных умовах.
Уключэнне/выключэнне: актывацыя
Штыфт уключэння/выключэння рэгулюе стан актывацыі рэгулятара.Выкарыстоўвайце гэты штыфт для захавання магутнасці, адключыўшы рэгулятар, калі непатрэбны.Такое разуменне шырока ўспрымаецца, бо энергаэфектыўнасць становіцца ўсё больш у дызайнерскіх меркаваннях.
Асноўныя кампаненты
Рэгулятар напружання
LM2576
LM2576
BOLE
NS TO-220263
In Stock: 88891 pcs
аб'ядноўвае некалькі неабходных элементаў: індуктар, дыёд і пераключэнне транзістара.Складаны кантролер аркеструе гэтыя часткі, гарманізуючы іх, каб забяспечыць эфектыўнае рэгуляванне напружання.
Функцыянальнасць і эксплуатацыя
У першую чаргу рэгулятар пераўтварае высокачашчынныя імпульсныя токі ў стабільны выхад напружання.Дзякуючы мудрагелістым карэкціроўкі электрамагнітнага поля, ён падтрымлівае паслядоўны ўзровень напружання.Кантролер мадулюе цыклы транзістара, дынамічна адаптуючыся да змяненняў у працоўным цыкле з тонкай дакладнасцю.
Дынаміка індуктара і дыёда
Індуктар захоўвае энергію, калі перамыкач актыўны, і вылучае яе пры неактыўным, разгладжваючы паток току.Дыёд абараняе працэс, правільна накіраваўшы і прадухіляючы зваротны паток, які можа нанесці шкоду кампанентам.Гэта ўзаемадзеянне абумоўлівае эфектыўнасць рэгулятара.
Кантролер і механізм пераключэння
Кантролер у LM2576 ацэньвае патрэбы нагрузкі, адаптуючы механізм пераключэння.Спыняючы пераключэнне транзістара, ён застаецца рэагаваць на зрухі нагрузкі, забяспечваючы ўстойлівы выхад напружання.Гэтая спрыт павышае як прадукцыйнасць, так і надзейнасць, спрыяючы адчуванню стабільнасці ў зменных умовах.
Эфектыўны дызайн кампанентаў і макет можа прыкметна павысіць цеплавыя характарыстыкі пры зніжэнні электрамагнітных перашкод.Удумлівыя кампаненты пазіцыянавання дапамагаюць аптымізаваць рассейванне цяпла, атрыманне ведаў ад шырокіх выпрабаванняў і ітэратыўных паляпшэнняў.
Падарожжа пачынаецца з ацэнкі таго, ці трапляе ўваходнае напружанне ў зададзеным дыяпазоне
LM2576
LM2576
BOLE
NS TO-220263
In Stock: 88891 pcs
.Гэты этап гарманізуе прадукцыйнасць з абаронай, прадухіляючы патэнцыйныя пашкоджанні ад крайнасцей напружання.Рэгулярны агляд у рэальных дадатках зніжае рызыку і павышае надзейнасць сістэмы.
Галоўнае ў функцыянальнасці LM2576 з'яўляецца яго прымяненне тэхналогіі мадуляцыі шырыні імпульсу (ШІМ) для эфектыўнага пераўтварэння напружання.ШІМ мудрагеліста мяняе працягласць пераключэння да ўзроўню вываду.Яго шырокае выкарыстанне тлумачыцца яго ведамі ў пераўтварэнні энергіі і дакладнасці ў кантролі.
Неабходным элементам у схеме рэгулятара напружання з'яўляецца індуктар, неабходны для разгладжвання выхаднога напружання.Утрымліваючы і разважліва вылучаючы энергію, яна памяншае пульсацыю напружання, забяспечваючы бесперапынны і стабільны выхад.Практычны вопыт выяўляе выбар падыходных індуктыўных кампанентаў з улікам канкрэтных патрэбаў.
Каб захаваць выходнае напружанне на мэтавых узроўнях, выкарыстоўваецца цыкл зваротнай сувязі.Гэты механізм настойліва адсочвае выхад, рэгулюючы час праводнасці трубкі перамыкача.Яго адаптацыя да зрухаў забяспечвае дбайны кантроль, канцэпцыю, паспяхова інтэграваную ў разнастайныя электронныя канструкцыі, каб павысіць прадукцыйнасць.
Для дасягнення патрэбных выхадаў патрабуюцца ўмяшанні з дапамогай цыкла зваротнай сувязі ў спалучэнні з эфектыўнасцю ШІМ.Удакладненне гэтых зменных на аснове эмпірычных доказаў з аналагічных асяроддзяў не толькі павышае прадукцыйнасць, але і падаўжае тэрмін службы рэгулятара, падкрэсліваючы гармонію паміж тэорыяй і практыкай.

Дыяпазон уваходнага напружання
Дыяпазон уваходнага напружання прапануе спосаб ацаніць адаптацыю рэгулятара да розных крыніц харчавання.Прызнанне гэтага дыяпазону дапамагае прадухіліць патэнцыйныя пашкоджанні, прасоўваючы аптымальную прадукцыйнасць.Выбар крыніцы харчавання ў гэтым параметры забяспечвае паслядоўную дастаўку магутнасці, падтрымліваючы стабільнасць далікатных электронных кампанентаў.
Выходнае напружанне і ток
Выходнае напружанне і ток -характарыстыкі важныя для вырашэння патрабаванняў пэўных прыкладанняў.Эфектыўнае кіраванне электраэнергіяй патрабуе дакладных карэкціровак.Выраўноўваючы патрабаванні нагрузкі з гэтымі параметрамі, сістэмы могуць дасягнуць значнай эфектыўнасці і надзейнасці.
Частата пераключэння
Частата пераключэння гуляе ролю ў вызначэнні эфектыўнасці і слядоў знешніх кампанентаў.Уважліва ўраўнаважвайце гэтыя аспекты, каб выканаць канкрэтныя мэты дызайну.Больш высокія частоты могуць забяспечыць меншыя індуктары, хоць яны могуць ускладніць праекты.Гэта разгляд патрабуецца пры барацьбе з абмежаваннямі прасторы, напрыклад, у кампактных прыладах.
Цеплавое кіраванне
Кіраванне цяплом можа забяспечыць паслядоўную функцыю рэгулятара і падоўжыць яго тэрмін службы.Такія метады, як інтэграцыя цеплавых ракавін і забеспячэнне належнага паветранага патоку, неабходныя практыкі.Такія стратэгіі дапамагаюць падтрымліваць працу ў межах бяспечных тэмпературных парогаў, мяркуючы цеплавое адключэнне або адмову.
Меркаванні эфектыўнасці
Эфектыўнасць уплывае на агульную функцыянальнасць прылады, уздзейнічаючы на спажыванне энергіі.Маніторынг і дапрацоўка могуць прывесці да эканоміі энергіі.Выкарыстанне кампанентаў з нізкім узроўнем страты і аптымізацыя макетаў-гэта стандартныя падыходы для павышэння эфектыўнасці.Гэтыя стратэгіі выгадныя ў прыладах, якія працуюць на батарэях, дзе захаванне энергіі мае высокае значэнне.
Кожны параметр вызначае, наколькі эфектыўна працуе
LM2576
LM2576
BOLE
NS TO-220263
In Stock: 88891 pcs
, адаптуючы сваю ролю для розных тэхнічных задач.Комплекснае разуменне гэтых фактараў дазваляе прадуманым распрацоўцы і рэалізацыі стратэгій харчавання, якія адпавядаюць розным тэхнічным і аператыўным памкненнем.
Schottky Diodes
Schottky Diodes цэніцца за свае здольнасці да пераключэння і мінімальнае падзенне напружання, асаблівасці, якія павышаюць эфектыўнасць пераўтварэння магутнасці ў
LM2576
LM2576
BOLE
NS TO-220263
In Stock: 88891 pcs
.Яны спрытна кіруюць хуткімі зменамі, зніжаючы страту энергіі і павышае эфектыўнасць сістэмы.Выбар дыёда з правільным рэйтынгам току і цеплавым кіраваннем патрабуецца для ўстойлівага прадукцыйнасці, што часта патрабуе прадуманага цеплавога дызайну і скрупулёзнай праверкі кампанентаў.
Выбар індуктара
Індуктар вызначае магутнасць выходнага току LM2576 і працуе як у бесперапынных, так і ў перарывістых рэжымах.Яго выбар уплывае не толькі на эфектыўнасць, але і бягучае пульсацыя і электрамагнітнае ўмяшанне.Такія фактары, як асноўны матэрыял, ток насычэння і фізічны памер, варта ўлічваць для аптымізацыі прадукцыйнасці з ацэнкай у розных аператыўных сітуацыях для забеспячэння стабільнасці і эфектыўнасці.
Значэнне нізкіх кандэнсатараў СОЭ
Нізкія кандэнсатары СОЭ, такія як алюміній або тантал, аддаюць перавагу мінімізаваць пульсацыю ўваходнага напружання і забяспечваць стабільную дастаўку магутнасці.У той час як керамічныя кандэнсатары могуць унесці высокачашчынныя рэзанансы і павялічыць шум, налада значэння СОЭ можа супрацьстаяць такім эфектам, забяспечваючы эфектыўную байпас уводу і мінімізацыю страт.
Забеспячэнне стабільнасці кандэнсатараў выхаду
Выхадныя кандэнсатары гуляюць ролю ў стабільнасці цыкла і зніжэнні ваганняў напружання.Збалансаванне СОЭ можа дапамагчы пазбегнуць нестабільнасці.Спалучэнне розных тыпаў кандэнсатараў, такіх як Tantalum або электралітычны з керамікай, можа павысіць прадукцыйнасць розных нагрузак і ўмоў.Ітэратыўнае тэставанне і дапрацоўка раім адпавядаць канкрэтным патрабаванням прыкладання.
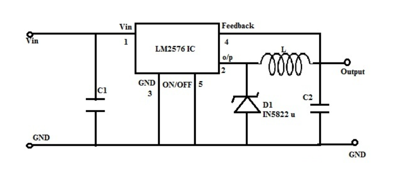
На ілюстрацыі падкрэсліваецца канфігурацыя, прыдатная для рэгулятара пераключэння 5V, 3A з выкарыстаннем элементаў, такіх як
LM2576
LM2576
BOLE
NS TO-220263
In Stock: 88891 pcs
, IN5822 дыёды і кандэнсатары.Указаны для лічбавых прыкладанняў харчавання, яго прыдатнасць для аўтамабільных сектараў заключаецца ў яго здольнасці апрацоўваць дыяпазон уводу ад 7 В да 40 У.Гэтая ўстаноўка прапануе адаптаваны ўзровень выхаду ад 1,23V да 37V, у той час як яго дызайн стратэгічна абмяжоўвае цеплавую вытворчасць.

LM2576 рэгулятар напружання
Як цэнтральны элемент гэтай схемы, LM2576 славіцца як надзейнасцю, так і эфектыўнасцю пераключэння.Ён прапануе гладкую рэгуляванне напружання з мінімальнай стратай магутнасці.Яго структура хупава ўтрымлівае разнастайныя патрэбы ў напружанні, падтрымліваючы стабільныя характарыстыкі на розных прыладах.
In5822 дыёды
Гэтыя дыёды гуляюць ахоўную ролю, блакуючы зваротны паток току, які падтрымлівае цэласнасць ланцуга сярод розных электрычных умоў.Часта аддаюць перавагу іх нізкага падзення напружання наперад, яны павышаюць эфектыўнасць сістэмы.
Кандэнсатары
Кандэнсатары важныя ў гэтай устаноўцы для стабілізацыі выходнага напружання і памяншэння шыпавання напружання.Гэтая стабілізацыя выгадная ў асяроддзі з непаслядоўнымі магутнымі ўводамі, такімі як аўтамабільныя сістэмы.
1. Што такое бягучы рэгулятар LM2576?
LM2576-гэта складаны маналітны ІС, створаны для паніжальных (BUCK) рэгулятараў.Ён падтрымлівае ток 3A, забяспечваючы пастаяннае рэгуляванне напружання і дэманструючы эфектыўнасць для розных ужыванняў.
2. Што такое выкарыстанне LM2576?
LM2576 у першую чаргу дзейнічае як асноўны кампанент у рэгулятараў пераключэння бака.Ён эфектыўна апрацоўвае нагрузкі да 3А, падтрымліваючы нарматыўную дакладнасць.Вопыт паказаў сваю ўстойлівасць у настроях, якія адчуваюць магутнасць.
3. У чым розніца паміж LM2596 і LM2576?
LM2596 прапануе больш высокую частату працы ў параўнанні з LM2576, што дазваляе выкарыстоўваць меншыя індуктары і кандэнсатары.Яна таксама ўключае ў сябе рэжым з нізкай магутнасцю, выгадны для дызайну, арыентуючыся на эфектыўнасць электраэнергіі.
4. Які блок харчавання выкарыстоўвае LM2576?
Рэгуляваны варыянт, LM2576-ADJ, можа кіраваць уваходнымі напружаннямі да 40 У.Ён гуляе неабходную ролю ў падтрыманні стабільнасці схемы, прыдатнай для такіх прыкладанняў, як узмацняльнікі, дакладна кіруючы ўзроўнямі ўваходнага напружання.
5. Як працуе LM2576?
Як пераўтваральнік долара, LM2576 служыць папярэднім рэгулятарам лінейных рэгулятараў.Ён умела апрацоўвае зніжэнне напружання ў ланцугах, забяспечваючы эфектыўнае пераўтварэнне энергіі і эфектыўна ў сітуацыях, якія патрабуюць паслядоўных вынікаў напружання.
Падзяліцеся гэтым паведамленнем