Аперацыйны ўзмацняльнік праводнасці (OTA) - гэта аналагавая прылада, якая пераўтворыць уваходнае напружанне ў выхадны ток.У гэтым артыкуле тлумачыцца, што такое ўзмацняльнік OTA, як ён працуе, яго асноўная формула і канфігурацыя схемы.Ён таксама ахоплівае розныя тыпы OTA, іх параўнанне з аперацыйнымі ўзмацняльнікамі, іх перавагі, абмежаванні і прымяненне ў сучасных аналагавых схемах.
Каталог

Малюнак 1: Аператыўны ўзмацняльнік праводнасці
Аперацыйны ўзмацняльнік праводнасці (OTA) - гэта аналагавы ўзмацняльнік, які пераўтворыць уваходнае напружанне ў прапарцыйны выхадны ток, таму яго называюць узмацняльнікам праводнасці.У адрозненне ад традыцыйнага аперацыйнага ўзмацняльніка, узмацняльнік OTA стварае ток і мае высокі ўваходны супраціў.З-за сваёй простай структуры і сумяшчальнасці з CMOS і біпалярнымі тэхналогіямі аперацыйны ўзмацняльнік праводнасці шырока выкарыстоўваецца ў сучасных аналагавых схемах.
Прынцып працы аперацыйнага ўзмацняльніка праводнасці (OTA) просты: ён пераўтворыць розніцу паміж двума ўваходнымі напружаннямі ў выхадны ток.Узмацняльнік OTA вымярае гэтую розніцу напружання і вырабляе прапарцыйны ток.Выхадны ток павялічваецца па меры павелічэння ўваходнага напружання і залежыць ад каэфіцыента праводнасці (gm).Гэта значэнне кантралюецца токам зрушэння, што дазваляе аперацыйнаму ўзмацняльніку праводнасці лёгка рэгуляваць узмацненне.З-за гэтага OTA дзейнічае як крыніца току з кіраваннем напругай у аналагавых схемах.
Матэматычная мадэль і формула OTA апісваюць залежнасць паміж розніцай уваходнага напружання і выхадным токам у аперацыйным узмацняльніку праводнасці (OTA).У ідэальным узмацняльніку OTA выхадны ток прапарцыянальны розніцы паміж двума ўваходнымі напружаннямі, якія вызначаюцца каэфіцыентам праводнасці (gm).
Гэта азначае, што калі розніца ўваходнага напружання павялічваецца, выхадны ток таксама павялічваецца.Значэнне g_m вызначае, наколькі моцны гэты водгук, і непасрэдна ўплывае на каэфіцыент узмацнення аперацыйнага ўзмацняльніка праводнасці.
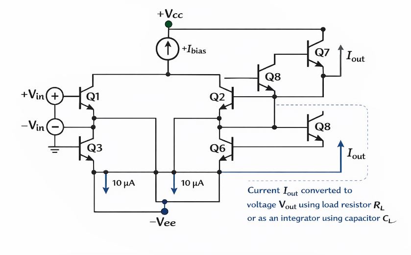
Электрычная схема і канфігурацыя аперацыйнага ўзмацняльніка праводнасці (OTA) паказваюць, як прылада падключана для апрацоўкі сігналаў і атрымання выхаднога току.Тыповая схема OTA ўключае дзве ўваходныя клемы (V+ і V−), уваход току зрушэння і клему выхаду току.

Малюнак 2: Электрычная схема і канфігурацыя OTA
Уваходныя клемы прымаюць сігнал, у той час як ток зрушэння (Ibias) усталёўвае ўзровень праводнасці.Выхад (Iout) - гэта сігнал току, які можна пераўтварыць у напружанне з дапамогай нагрузачнага рэзістара.Гэта робіць канфігурацыю схемы OTA лёгкай для злучэння з іншымі аналагавымі схемамі.
Біпалярны OTA

Малюнак 3: Біпалярны OTA
Біпалярны аперацыйны ўзмацняльнік праводнасці пабудаваны з выкарыстаннем біпалярных транзістараў з пераходам (BJT), якія забяспечваюць высокую праводнасць і добрую лінейнасць.З-за гэтых характарыстык гэты тып узмацняльніка OTA падыходзіць для прыкладанняў, якія патрабуюць дакладнай апрацоўкі сігналу і больш высокай прадукцыйнасці.
CMOS OTA

Малюнак 4: CMOS OTA
Аператыўны ўзмацняльнік праводнасці CMOS выкарыстоўвае тэхналогію MOSFET, што робіць яго ідэальным для маламагутных і высокаінтэграваных канструкцый.Гэты тып OTA шырока выкарыстоўваецца ў сучаснай электроніцы, асабліва ў партатыўных прыладах, дзякуючы сваёй энергаэфектыўнасці і кампактным памерах.
Асаблівасць
|
Аператыўны
Узмацняльнік праводнасці (OTA)
|
Аператыўны
Узмацняльнік (ОУ)
|
Базавы
Функцыя
|
Навяртае
уваходнае напружанне ў выхадны ток
|
Навяртае
уваходнае напружанне ў выхадное напружанне
|
Тып вываду
|
Ток
выхад (прылада з токавым рэжымам)
|
Напруга
выхад (прылада рэжыму напружання)
|
Кантроль узмацнення
|
Кантралюецца
ток зрушэння (гм)
|
Кантралюецца
знешнія кампаненты зваротнай сувязі (рэзістары)
|
Праводнасць
(гм)
|
Пераменная і
рэгуляваны
|
Не наўпрост
выкарыстоўваецца (акцэнт на ўзмацненні напружання)
|
Гнуткасць
|
Лёгка
наладжваецца без змены схемы
|
Патрабуецца
змяненне знешніх кампанентаў
|
Увод
Імпеданс
|
Высокі ўваход
імпеданс
|
Вельмі высокая
ўваходны супраціў
|
Выхад
Імпеданс
|
Высокі выхад
імпеданс
|
Нізкі выхад
імпеданс
|
Тыповы
Прыкладанні
|
фільтры,
асцылятары, узмацняльнікі, кіраваныя напругай
|
Сігнал
узмацненне, кампаратары, фарміраванне сігналу
|
Тып сігналу
|
На аснове току
апрацоўка сігналу
|
На аснове напружання
апрацоўка сігналу
|
Агульнае выкарыстанне
Справа
|
Аналагавая мікрасхема
праектаванне і наладжвальныя схемы
|
Агульнага прызначэння
аналагавыя схемы
|
Перавагі
• Рэгуляваная праводнасць (гм) – Аперацыйны ўзмацняльнік праводнасці (OTA) дазваляе кантраляваць узмацненне праз ток зрушэння, што робіць OTA-ўзмацняльнік лёгкай для налады без змены кампанентаў схемы.
• Праца ў рэжыме току – OTA стварае выхадны ток, што робіць яго прыдатным для сучаснай апрацоўкі аналагавых сігналаў і схем на аснове току.
• Нізкае энергаспажыванне – Узмацняльнік OTA звычайна працуе з нізкай магутнасцю, што ідэальна падыходзіць для партатыўных і ўбудаваных электронных прылад.
• Просты і кампактны дызайн – Аперацыйны ўзмацняльнік праводнасці мае простую структуру, што дазваляе лёгка інтэграваць яго ў CMOS і біпалярныя схемы.
• Высокая гнуткасць – Дзякуючы наладжванаму каэфіцыенту ўзмацнення, OTA-ўзмацняльнік шырока выкарыстоўваецца ў такіх праграмах, як фільтры, асцылятары і ўзмацняльнікі з кіраваннем напругай.
Абмежаванні
• Абмежаваны лінейны дыяпазон – OTA лепш за ўсё працуе ў невялікім уваходным дыяпазоне, і перавышэнне гэтага дыяпазону можа выклікаць скажэнне выхаднога сігналу.
• Адчувальнасць да току зрушэння і тэмпературы – Прадукцыйнасць аперацыйнага ўзмацняльніка праводнасці можа змяняцца ў залежнасці ад змены току зрушэння і тэмпературы, што ўплывае на стабільнасць.
• Высокі выхадны супраціў – Узмацняльнік OTA стварае выхадны ток, таму неабходныя дадатковыя кампаненты для пераўтварэння яго ў прыдатную для выкарыстання напругу.
• Шум і неідэальныя эфекты – У практычных схемах OTA можа выклікаць шум і іншыя неідэальныя паводзіны, якія могуць паўплываць на дакладнасць.
• Узмацняльнікі з кіраваннем напругай (VCA) – Аператыўны ўзмацняльнік праводнасці (OTA) шырока выкарыстоўваецца для стварэння ўзмацняльнікаў, узмацненне якіх можна рэгуляваць з дапамогай сігналу кіравання, што робіць яго карысным у сістэмах апрацоўкі аўдыё і сігналаў.
• Актыўныя фільтры (фільтры gm-C) – Узмацняльнік OTA звычайна выкарыстоўваецца ў канструкцыях актыўных фільтраў, дзе яго рэгуляваная праводнасць дазваляе дакладна кантраляваць характарыстыкі фільтра, такія як частата зрэзу.
• Асцылятары – OTA выкарыстоўваецца ў схемах асцылятараў для генерацыі сігналаў, асабліва там, дзе патрабуецца налада частоты з дапамогай кантролю току зрушэння.
• Схемы апрацоўкі аналагавых сігналаў – Аперацыйны ўзмацняльнік праводнасці выкарыстоўваецца ў аналагавых вылічэннях і апрацоўцы сігналаў дзякуючы сваёй здольнасці пераўтвараць напружанне ў ток.
• Мультыплікатары і мадулятары – Узмацняльнік OTA можа быць выкарыстаны ў схемах, якія выконваюць множанне і мадуляцыю сігналаў, якія важныя ў сістэмах сувязі.
• Аўтаматычнае рэгуляванне ўзмацнення (AGC) – OTA выкарыстоўваецца ў схемах AGC для аўтаматычнай рэгулявання сілы сігналу і падтрымання стабільных узроўняў выхаду.
• Генератары сігналаў – Аперацыйны ўзмацняльнік праводнасці выкарыстоўваецца для генерацыі розных тыпаў сігналаў у схемах генератара функцый.
Аперацыйны ўзмацняльнік з праводнасцю (OTA) з'яўляецца карысным аналагавым кампанентам, які пераўтварае напружанне ў ток і дазваляе рэгуляваць узмацненне праз праводнасць (gm).Ён мае простую канструкцыю і даступны ў розных тыпах, што робіць яго прыдатным для розных схем.Хоць у яго ёсць некаторыя абмежаванні, яго гнуткасць і нізкая энергаспажыванне робяць узмацняльнік OTA шырока выкарыстоўваным у фільтрах, асцылятарах і схемах апрацоўкі сігналаў.
Падзяліцеся гэтым паведамленнем